三、单模机械式光衰减器的技术参数
| 参数指标 | 单位 | 最小值 | 典型值 | 最大值 |
| 波长范围 | nm | 1260-1650nm or 980nm/1064nm | ||
| 衰减范围 | dB | 0 | 60 | |
| 衰减精度 | dB | ±0.2 | ||
| 功率监控精度 | dB | ±0.15 | ||
| 承受光功率 | mW | 500 | ||
| 插入损耗 | dB | 1 | ||
| 波长相关损耗 | dB | 1 | ||
| 偏振相关损耗 | dB | 0.5 | ||
| 工作温度范围 | °C | -20 | +65 | |
| 工作湿度范围 | % | 70 | ||
| 尾纤接头类型 | FC/APC, FC/UPC | |||
| 输入输出光纤类型 | SMF-28e ,单模光纤 | |||
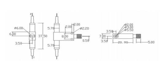
| 尺寸 | mm | 20.90(L)×12(W)×7(H) | ||
尺寸图

v88体育qcom光电单模机械式光衰减器订货信息
| 波长 | 衰减大小 | 尾纤套管直径 | 尾纤长度 | 连接头形式 |
| 13=1310nm 15=1550nm 10=1060nm X=others | 1=0~60dB 2=0~40dB 3=0~30dB | 9=0.9mm 2=3mm | 0=0.5m 1=1m X=others | FC/APC FC/UPC LC/UPC LC/APC SC/APC SC/UPC |
单模机械式光衰减器拓展资料
一、单模机械式光衰减器的工作原理
单模机械式光衰减器的工作原理主要基于光的吸收、散射、反射以及光纤纤芯的错位技术。
1、光吸收:衰减器内部采用掺杂了金属离子的光纤或特制吸收玻璃,这些材料能够吸收一部分入射光,从而降低光信号的强度。
2、光散射:通过材料的微观结构设计,使光在传输过程中发生散射,减少直线传播的光强。
3、光反射:利用多层薄膜技术,精确控制反射率,实现光信号的衰减。
4、错位技术:通过微量平移光纤纤芯的位置,使光信号在传输过程中发生偏芯损耗,达到衰减效果。
这些机制协同作用,使得单模机械式光衰减器能够实现对光信号强度的精确调节。
二、单模机械式光衰减器的应用范围
1、光纤通信系统:在光通信系统中,单模机械式光衰减器能够精确调节各个信道的光功率,确保其在适当的范围内,从而提高系统的传输质量。同时,它还可以补偿光纤传输过程中的损耗和色散,实现信道传输的均衡。
2、光纤传感技术:在光纤传感技术中,单模机械式光衰减器可用于调节光信号强度,以满足不同的光传感应用需求。例如,在温度、压力、湿度等物理量信号传感器中,它能够实现光信号的精确调节,提高传感器的测量精度和稳定性。
3、光学仪器:在激光器、光子计数器、光谱仪、光学显微镜等光学仪器中,单模机械式光衰减器用于控制光信号的强度和数量,确保仪器正常工作并获得准确的测量结果。
4、光电子学领域:在光电子学领域,单模机械式光衰减器被用来控制和调节光电子元器件的输入和输出光信号。例如,在光电放大器中,它可以用来控制输入光信号的强度和数量,以保证光电放大器的工作质量。