SOI高速光开关阵列,该产品基于硅基载流子色散效应实现纳秒级高速响应的光路切换,实现了多通道光开关阵列的单片化集成,芯片与多通道光纤和外围驱动电路一体化光电封装,热电混调,数字化驱动,偏振相关性小,插入损耗低。
SOI高速光开关阵列特性
SOI高速光开关阵列规格参数
| 参数指标 | 单位 | 最小值 | 典型值 | 最大值 | 备注 |
| 波长范围 | nm | 1530—1570 nm or 1270nm—1330 nm | |||
| 消光比 | dB | 19 | 20 | 22 | |
| 插入损耗 | dB | 1.6 | 1.8 | 2.0 | |
| 回波损耗 | dB | 40 | 50 | ||
| 偏振相关损耗 | dB | 0.3 | 0.5 | ||
| 驱动电压 | V | 0.9 | 1 | 1.2 | @300ns |
| 驱动电流 | mA | 6 | 7 | 9 | @300ns |
| 芯片级响应时间 | ns | 30 | 300 | ||
| 热调功耗 | mW | 30 | 50 | ||
| 通道数 | 8—16或可定制 | ||||
| 光功率 | mW | 80 | |||
| 工作温度范围 | °C | -20 | 50 | ||
| 工作湿度范围 | % | +65 | |||
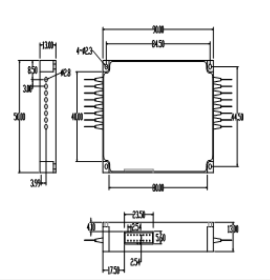
| 尺寸 | mm | 芯片:20(L)×3 (W)×0.5(H) | 可定制 | ||
| 器件:90(L)x50(W)x13(H) | |||||
芯片尺寸

器件尺寸

v88体育qcom光电SOI高速光开关阵列订货信息
| ZG | 波长 | 通道数 | 类型 |
| 13=1310nm 15=1550nm | 1=1CH 4=4CH 8=8CH 16=CH XX=other | 1=不带热调 2=带热调 XX=other |