ZGL6|光纤准直器
v88体育qcom光电科技有限公司生产的ZGL6光纤准直器有FC/PC或者FC/APC接口,镜片直径为6mm;可以用于单模或者多模光纤跳线,对准波长从380 nm到1750 nm,根据波长不同,每个准直器都经过出厂对准,简化光纤耦合探测系统,采用不锈钢外壳。用于准直从FC接头光纤出射的光,并具有衍射极限的性能。这些光纤准直器可以通过拧松侧面的螺钉来微调焦距,产品结构紧凑,方便集成到已有的装置中。因为非球面透镜会产生色差,所以有效焦距(EFL)与波长有关。
光纤准直器(准直镜)体积小,使用方便简洁,其波长范围选择性多,可以应用于各种光学应用中!这款准直镜的镜片为直径6mm的非球面透镜,焦距15mm,可以接光纤输出光功率小于10w的跳线!
光纤准直器(准直镜)介绍:
连接器:FC/APC或者FC/PC;
外螺纹:M11 x 0.5
镜片直径:6 mm
镜片焦距:8或者15 mm
光学参数:一个非球面透镜
波长范围:依据增透膜波长,详见型号表格
工作温度:-40~150℃
外壳材料:不锈钢。
光纤准直器(准直镜)可以用于光纤准直也可以用于耦合聚焦用;准直用途的话,接单模或者多模光纤皆可;如果作为耦合聚焦用,仅限于接多模光纤使用(数值孔径0.12~0.22NA,纤芯直径≧50微米)。
型号 | 增透膜波长范围 | 光纤接口 | 镜片直径 | 焦距 | 数值孔径 |
ZGL6-550-F15-FP | 380~800nm | FC/PC | 6.0mm | 15mm | 0.17 |
ZGL6-850-F15-FP | 600~1050nm | FC/PC | 6.0mm | ||
ZGL6-1310-F15-FP | 1050~1620nm | FC/PC | 6.0mm | ||
ZGL6-1550-F15-FP | 1350~1750nm | FC/PC | 6.0mm | ||
ZGL6-550-F15-FA | 380~800nm | FC/APC | 6.0mm | ||
ZGL6-850--F15-FA | 600~1050nm | FC/APC | 6.0mm | ||
ZGL6-1310-F15-FA | 1050~1620nm | FC/APC | 6.0mm | ||
ZGL6-1550-F15-FA | 1350~1750nm | FC/APC | 6.0mm | ||
ZGL6-550-F8-FP | 380~800nm | FC/PC | 6.0mm | 8mm | 0.5 |
ZGL6-850-F8-FP | 600~1050nm | FC/PC | 6.0mm | ||
ZGL6-1310-F8-FP | 1050~1620nm | FC/PC | 6.0mm | ||
ZGL6-1550-F8-FP | 1350~1750nm | FC/PC | 6.0mm | ||
ZGL6-550-F8-FA | 380~800nm | FC/APC | 6.0mm | ||
ZGL6-850--F8-FA | 600~1050nm | FC/APC | 6.0mm | ||
ZGL6-1310-F8-FA | 1050~1620nm | FC/APC | 6.0mm | ||
ZGL6-1550-F8-FA | 1350~1750nm | FC/APC | 6.0mm |


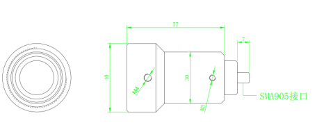
ZGL10/20光纤准直器,带有SMA905或者FC/PC接口,镜片直径可选择6mm,10mm,20mm;可以用于单模或者多模光纤跳线,对准波长从360 nm到1620 nm,根据波长不同,每个准直器都经过出厂对准,简化光纤耦合探测系统,采用铝合金阳极化黑色外壳。用于准直从FC/PC或者SMA905接头光纤出射的光,并具有衍射极限的性能。这些光纤准直器可以通过拧松侧面的螺钉来微调焦距,产品结构紧凑,方便集成到已有的装置中。因为非球面透镜会产生色差,所以有效焦距(EFL)与波长有关。可以接光纤输出光功率小于10w的跳线!
本产品可以用于光纤准直也可以用于耦合聚焦用;准直用途的话,接单模或者多模光纤皆可;如果作为耦合聚焦用,仅限于接多模光纤使用(数值孔径0.12~0.22NA,纤芯直径 ≧ 50微米)。
型号 | 增透膜波长范围 | 光纤接口 | 镜片直径 | 焦距 |
ZGL10-550-FCPC | 350~800nm | FC/PC | 10.0mm | 18mm |
ZGL10-850-FCPC | 600~1050nm | FC/PC | 10.0mm | |
ZGL10-1310-FCPC | 1050~1620nm | FC/PC | 10.0mm | |
ZGL10-550-SMA | 350~800nm | SMA905 | 10.0mm | |
ZGL10-850-SMA | 600~1050nm | SMA905 | 10.0mm | |
ZGL10-1310-SMA | 1050~1620nm | SMA905 | 10.0mm |

尺寸图
型号 | 增透膜波长范围 | 光纤接口 | 镜片直径 | 焦距 |
ZGL20-550-FCPC | 350~800nm | FC/PC | 20.0mm | 47mm |
ZGL20-850-FCPC | 600~1050nm | FC/PC | 20.0mm | |
ZGL20-1310-FCPC | 1050~1620nm | FC/PC | 20.0mm | |
ZGL20-550-SMA | 350~800nm | SMA905 | 20.0mm | |
ZGL20-850-SMA | 600~1050nm | SMA905 | 20.0mm | |
ZGL20-1310-SMA | 1050~1620nm | SMA905 | 20.0mm |

尺寸图
大直径单镜头
94UV 准直透镜设计用于耦合更大自由空间的光束到光纤中。 该准直透镜镜片直径30mm,焦距50毫米,适合用于户外长距离准直光,经测试,最长距离可达20米。
次光纤准直镜适用于我们提供的大多数采样配件。 因此,这些透镜有一系列广泛应用,可以被用于测量:吸光度,照度和发光度。

本产品可以用于准直也可以用于耦合聚焦用;准直用途的话,接单模或者多模光纤皆可;如果作为耦合聚焦用,仅限于接多模光纤使用(数值孔径0.22~0.37NA,纤芯直径≧100微米)。
产品型号 | 94UV |
产品名称 | 光纤准直镜 |
类型 | 单透镜 |
镜片材料 | 紫外熔融石英 |
镜片直径 | 30mm |
镜片焦距 | 50mm |
波长范围 | 185~2500nm |
接口 | SMA905 |
兼容孔径 | 0.22~0.37NA |
外壳材质 | 铝合金,表面发黑处理 |
工作温度 | -20~200 ℃ 无结露 |
固定方式 | M4螺丝 |
光纤接口 | SMA905 或 FC |