ECL窄线宽激光器
ECL窄线宽激光器具有窄线宽、低 RIN 和相位噪声、高输出光功率、稳定性高等特点,主要应用于光纤通信、光纤传感、微波光子、量子光学与冷原子物理、激光雷达、引力波探测、仪器仪表与科研、光学相干断层扫描(OCT)等领域
产品咨询
详细信息

ECL窄线宽激光器

一、ECL窄线宽激光器的定义:
该窄线宽激光器基于半导体增益芯片,采用独特的外腔结构和先进的封装工艺,具有线宽窄,相对强度噪声低和相位噪声低的特点。器件采用标准的 14 针蝶形封装,具有高输出功率,高稳定性,高可靠性,使用寿命长。

二、ECL窄线宽激光器的特点:
窄线宽
低 RIN 和相位噪声
高输出光功率
稳定性高

三、ECL窄线宽激光器的应用领域
光纤通信
光纤传感
微波光子
量子光学与冷原子物理
激光雷达
引力波探测
仪器仪表与科研
光学相干断层扫描(OCT)

四、ECL窄线宽激光器的相关参数

    参数
符号
最小值
典型值最大值单位备注
    出纤功率
Po
510-mW

    中心波长
λc
1530
-1610
nm
ITUT 波长/可定制
    波长调谐范围
-
-
40-
pm
温度调谐
    工作电流
Iop
--400mA
    阈值电流
Ith
-
50
80
mA

    工作电压
Vop
-23V
    线宽
ΔνL
15-35KHz
洛伦兹 延时自外
差,25km(如指定线
宽请联系销售人员确认)
5-15
2-5
--2
    相位噪声
--35-urad/rt-Hz
1m OPD
ΔνL<35kHz,@200Hz
--22-ΔνL<35kHz,@200Hz
--8-ΔνL<35kHz,@200Hz
--4-ΔνL<35kHz,@200Hz
    相对强度噪声
RIN
--150-dB/Hz

    隔离度
ISO
45--dB
    背光电流
Id
50
2000uA

    偏振消光比
PER
18--dB
慢轴(PMF),23度
    边模抑制比
SMSR
50--dB


五、ECL窄线宽激光器的极限条件

编号参数
指标要求
单位
备注
1工作温度
-10~+70


2工作湿度
0~90
%RH
无结露
3存储温度
-40~+85


4激光器最大电流
500
mA

5TEC工作电流
1.8
A

6TEC工作电压
4.2
V

7引脚焊接温度
260(<10s)



六、ECL窄线宽激光器的光接口定义

编号
参数
指标要求
单位
备注
1尾纤类型
熊猫型单模保偏光纤,Φ0.9mm


2尾纤长度
客户定义+/-0.2
M
3连接器类型
客户定义



七、ECL窄线宽激光器的电引脚定义

N型引脚定义(支持定制引脚定义)
引脚编号1234567
引脚定义
TEC+
Thermistor
mPD+
mPD-
Thermistor
NA
NA
引脚编号
891011121314
引脚定义
NA
NA
LD+
LD-
NA
CASE
TEC-

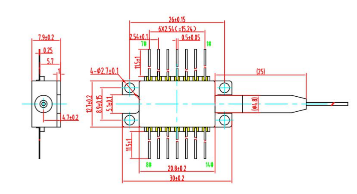
八、ECL窄线宽激光器的机械结构图


ECL窄线宽激光器的机械结构图


九、v88体育qcom光电ECL窄线宽激光器的订购信息

BF14
ECL
波长(nm)
线宽
引脚定义
光纤长度
X
输出功率
连接头类型
蝶型 14针
ECL
ITU-T 波长
定制波长
5:5KHz
10:10KHz
35:35kHz
N 型
S 型
0.5:0.5m
1:1m
09SMF:900um 单模
25SMF:250um 单模
09PMF:900um 保偏
25PMF:250um 保偏
CS: Customize
10:10mW
5:5mW
FC/APC
FC/PC



返回列表
为您推荐