| 参数 | 单位 | 规格 | 备注 | |
| 单向 | 双向 | |||
| 波长范围 | nm | 1525~1565 | ||
| 插入损耗 | dB | 0.7(典型值);1.5(最大值) | 0.8(典型值);1.8(最大值) | |
| 偏振相关损耗 | dB | 0.15(典型值);0.25(最大值) | 0.15(典型值);0.30(最大值) | |
| 回波损耗 | dB | ≥40(典型值50) | ≥40(典型值40) | |
| 串扰 | dB | ≥30(典型值50) | ≥30(典型值40) | |
| 消光比 | dB | ≥18 | ≥18 | |
| 偏振模色散 | ps | 0.2 | ||
| 可重复性 | dB | +/-0.01 | ||
| 耐久性 | cycles | >1000Billions | ||
| 开关速度 | μs | 常规(50~200),超快(2~20) | ||
| 储存温度 | °C | -40~70 | ||
| 工作温度 | °C | -40~85 | ||
| 最大光功率 | mW | 500 | ||
| 尺寸(长x宽x高) | mm | 37×21x7.5 | ||
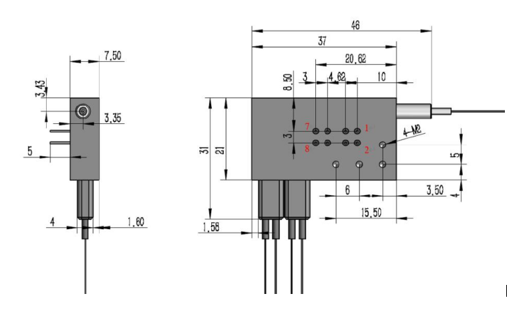
四、1x4磁光开关尺寸图

五、1x4磁光开关电气规格
参数 规格 单位 定时的 超快的 开关速度 50~200 2~20(典型值5) μs 开关电压(VCC) 3(+/-5%) 3~7.5 V 开关电流 <100 <350 mA 驱动方式 电压或脉冲驱动 脉冲驱动 NA 脉冲宽度(典型) 300(典型值);500(最大值) 20 μs 开关频率 <1000 <3500 Hz
六、引脚定义
双向:
| Pin No. | Pin1 | Pin2 | Pin3 | Pin4 | Pin5 | Pin6 | Pin7 | Pin8 |
| IN ↔OUT1 | + | - | + | - | - | - | - | - |
| IN ↔OUT2 | - | + | - | + | - | - | - | - |
| IN ↔OUT3 | + | - | - | + | - | - | - | - |
| IN ↔OUT4 | - | + | + | - | - | - | - | - |
单向:
| Pin No. | Pin1 | Pin2 | Pin3 | Pin4 | Pin5 | Pin6 | Pin7 | Pin8 |
| IN →OUT1 | + | - | + | - | ||||
| IN →OUT2 | - | + | - | + | ||||
| IN →OUT3 | + | - | - | + | ||||
| IN →OUT4 | - | + | + | - |
七、1x4磁光开关模块电气参数

八、1x4磁光开关控制逻辑
| 通道 | Ctr1 | Ctr2 | remark |
| IN→OUT1 | 0 | 0 | 5V TTL |
| IN→OUT2 | 1 | 1 | 5V TTL |
| IN→OUT3 | 0 | 1 | 5V TTL |
| IN→OUT4 | 1 | 0 | 5V TTL |
九、v88体育qcom光电1x4磁光开关订购信息
| 工作模式 | 开关速度 | 波长 | 光纤类型 | 轴类型 | 光纤 | 光纤长度 | 连接器类型 |
| 1、双向 2、常规 | 1.50~200us 2.2~20us 3. Others | 1.CBand 2.L Band 3.C & L Band 4.Others | 1.PM15 2.PM98 3.PM13 4.Others | 1.B(Both of axis working) 2.F(Fast axis blocked) | 1.250μm fiber 2.900μm fiber 3.Others | 1.0.5+/-0.1 m 2.1.0+/-0.1 m 3.Others | 0.None 1.FC/UPC 2.FC/APC 3.SC/UPC 4.SC/APC 5.LC/PC 6.MU/PC 7.Others |